Data wysylki: 2025-10-03
ZLECIMY WYKONANIE DETALI Z BLACHY
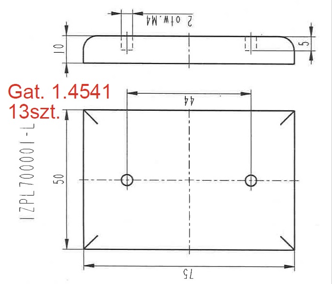
Zlecimy wykonanie detali z blachy. Wg rysunku: link do pliku .
Detale z blachy 10 mm, gatunek 1.4541. Proszę o przesłanie ofert na wykonanie 13 sztuk.
Nazwa firmy:
***********************
Telefon:
***********************
Telefon:
***********************
Kraj:
Polska
Termin wyszukania: 7 dni
Korespondencja w języku: polski
Chcę wypróbować za darmo.
* Usługa dostępna 30 dni po zatwierdzeniu tej oferty. Oferta dostępna jest wcześniej tylko dla firm, które wykupiły abonament.
Podobne oferty
Kontakt przez chat





